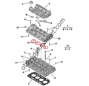
Citroen Spacetourer (2020-2022) 1.5 BlueHdi Silindir Kapağı Enjektör Contası (Orijinal)
Kategori
Stok Durumu
Stokta Var
Bu ürüne ilk yorumu siz yapın!
